 |

Редуктор червячный одноступенчатый универсальный 1Ч-63А является редуктором общего назначения и предназначен для изменения крутящего момента и частоты вращения.
УСЛОВИЯ ПРИМЕНЕНИЯ РЕДУКТОРОВ:
-
нагрузка постоянная и переменная одного направления и реверсивная;
-
работа постоянная и с периодическими остановками;
-
температура внешней среды от - 40°С до + 50°С; внешняя среда — неагрессивная, невзрывоопасен;
-
вращение валов в любую сторону.



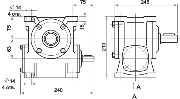
РИС1.
Габаритные и присоединительные размеры
ТЕХНИЧЕСКИЕ ХАРАКТЕРИСТИКИ
| Частота вращения входного вала, об/мин |
Режим работы редуктора |
Допускаемый крутящий момент на выходном валу,
Н . м |
| при номинальных передаточных числах |
| 8,0 |
10,0 |
12,5 |
16,0 |
20,0 |
25,0 |
31,5 |
40,0 |
50,0 |
63,0 |
80,0 |
| 1500 |
ПВ>63% |
130 |
130 |
120 |
130 |
130 |
120 |
130 |
130 |
125 |
110 |
105 |
ПВ=63% |
140 |
125 |
125 |
150 |
132 |
125 |
170 |
160 |
132 |
106 |
100 |
ПВ=40% |
160 |
132 |
132 |
160 |
140 |
132 |
200 |
170 |
140 |
106 |
100 |
ПВ=25% |
160 |
140 |
132 |
180 |
140 |
132 |
200 |
180 |
150 |
112 |
106 |
ПВ=16% |
170 |
150 |
132 |
190 |
150 |
140 |
200 |
190 |
150 |
112 |
106 |
| 1000 |
ПВ>63% |
145 |
145 |
140 |
145 |
145 |
140 |
145 |
145 |
140 |
120 |
115 |
ПВ=63% |
160 |
140 |
140 |
170 |
150 |
140 |
100 |
180 |
150 |
120 |
110 |
ПВ=40% |
180 |
150 |
150 |
180 |
160 |
150 |
200 |
190 |
160 |
120 |
110 |
ПВ=25% |
180 |
160 |
150 |
200 |
160 |
150 |
210 |
200 |
170 |
125 |
120 |
ПВ=16% |
190 |
170 |
150 |
210 |
170 |
160 |
220 |
210 |
170 |
125 |
120 |
| 750 |
ПВ>63% |
160 |
160 |
155 |
160 |
160 |
155 |
160 |
160 |
150 |
135 |
130 |
ПВ=63% |
180 |
180 |
160 |
190 |
170 |
160 |
220 |
210 |
170 |
130 |
130 |
ПВ=40% |
210 |
170 |
170 |
210 |
180 |
170 |
240 |
220 |
180 |
130 |
130 |
ПВ=25% |
210 |
180 |
170 |
240 |
180 |
170 |
250 |
240 |
190 |
140 |
140 |
ПВ=16% |
220 |
190 |
170 |
250 |
190 |
180 |
260 |
250 |
190 |
140 |
140 |
| Частота вращения входного вала, об/мин |
Коэффициент полезного действия, % |
| при номинальных передаточных числах |
| 8,0 |
10,0 |
12,5 |
16,0 |
20,0 |
25,0 |
31,5 |
40,0 |
50,0 |
63,0 |
80,0 |
| 1500 |
89 |
88 |
87 |
84 |
83 |
81 |
74 |
73 |
68 |
62 |
60 |
| 1000 |
88 |
87 |
86 |
82 |
81 |
79 |
71 |
69 |
65 |
59 |
57 |
| 750 |
87 |
86 |
85 |
82 |
80 |
78 |
69 |
67 |
63 |
56 |
54 |
| Допускаемая радиальная консольная нагрузка
на входном валу 340 Н |
|
| Допускаемая радиальная консольная нагрузка
на выходном валу |
| при вариантах сборки 51, 52 - 3000 Н |
при вариантах сборки 53, 56 - 1500 Н |
Таблица №1.

РИС2.
Вариант сборки
МАССА РЕДУКТОРА, КГ
(в зависимости от варианта крепления и сборки)
| Вариант крепления |
с алюминиевым корпусом |
с чугунным корпусом |
| при вариантах сборки |
| 51; 52 |
53 |
56 |
51; 52 |
53 |
56 |
1 |
12,0 |
12,5 |
11,5 |
15,5 |
16,0 |
15,0 |
2 |
12,0 |
12,5 |
11,5 |
14,5 |
15,0 |
14,0 |
3; 4 |
12,0 |
12,5 |
11,5 |
14,5 |
15,0 |
14,0 |
Таблица №2.
ПРИМЕР УСЛОВНОГО ОБОЗНАЧЕНИЯ ПРИ ЗАКАЗЕ:
Редуктор 1Ч-63А-40-52, где:
- 1Ч — редуктор червячный;
- 63 — межосевое расстояние, мм;
- 40 — номинально передаточное число;
- 52 — вариант сборки;
Приводная техника (мотор-редукторы, преобразователи частоты и устройства плавного пуска) отправляется покупателю транспортной компанией. По всем вопросам обращаться в офис.
Мы всегда рады видеть у себя наших старых партнеров и ждем новых.
Доставка во все регионы России!
|
 |